PL Pneumatic Male Elbow Fitting 90 Degree Push-to-Connect Air Connector

PL pneumatic fittings are male elbow push-to-connect connectors designed for 90-degree tube-to-thread connections in pneumatic systems.

With a one-touch installation design, tubing can be inserted quickly without tools, significantly improving installation efficiency and reducing maintenance time.

The 90° elbow structure allows flexible air routing in tight spaces, making these fittings ideal for compact system layouts and directional airflow control.

Manufactured from nickel-plated brass and engineering plastics, PL fittings offer strong sealing performance, corrosion resistance, and long service life.

OEM and ODM customization services are available for thread standards, tube sizes, materials, and branding requirements.

Send EmailContact FormWhatsApp
  • Overview
  • Free Sample
  • Warranty policy

Specification Parameters

Operating Fluid Air
Type Pneumatic Fittings
Proof Pressure 1.32 MPa (13.5 kgf/cm²)
Max. Operating Pressure 0~0.9 MPa (0~9.2 kgf/cm²)
Ambient & Fluid Temperature 0~60°C
Applicable Tubing PU Tube, Nylon Tube

PL pneumatic male elbow fitting 90 degree push to connect air connector

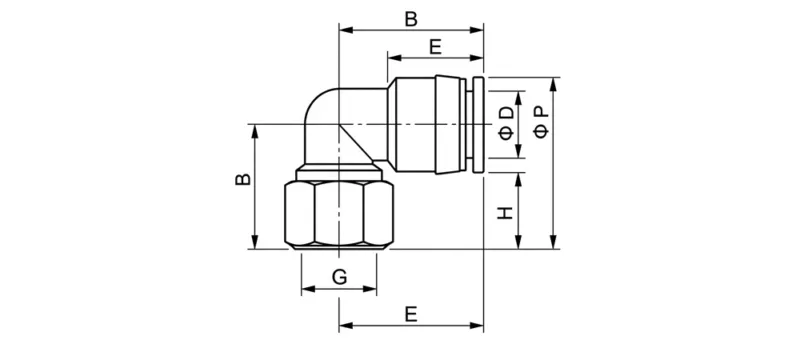
Model ΦD E B ΦP A G H
PL4-M5 4 18 21.5 11 3.5 M5 10
PL4-01 4 18 25 11 7 R1/8 10
PL4-02 4 18 26 11 8 R1/4 14
PL6-M5 6 20 23.5 13 3.5 M5 12
PL6-01 6 20 27 13 7 R1/8 12
PL6-02 6 20 28 13 8 R1/4 14
PL6-03 6 20 29 13 9 R3/8 17
PL6-04 6 20 30.5 13 10 R1/2 21
PL8-01 8 22 29 15 7 R1/8 14
PL8-02 8 22 30 15 8 R1/4 14
PL8-03 8 22 31 15 9 R3/8 17
PL8-04 8 22 32.5 15 10 R1/2 21
PL10-01 10 26 32 18.5 7 R1/8 14
PL10-02 10 26 33 18.5 8 R1/4 14
PL10-03 10 26 34 18.5 9 R3/8 17
PL10-04 10 26 35.5 18.5 10 R1/2 21
PL12-01 12 28 34 21 7 R1/8 19
PL12-02 12 28 35 21 8 R1/4 19
PL12-03 12 28 36 21 9 R3/8 19
PL12-04 12 28 37.5 21 10 R1/2 21
PL14-02 14 30.5 37.5 23 8 R1/4 22
PL14-03 14 30.5 38.5 23 9 R3/8 22
PL14-04 14 30.5 39.5 23 10 R1/2 22
PL16-02 16 33 39.5 25.5 8 R1/4 24
PL16-03 16 33 40.5 25.5 9 R3/8 24
PL16-04 16 33 41.5 25.5 10 R1/2 24
PL16-06 16 33 43.5 25.5 12 R3/4 27

Key Features

  • Push-to-connect quick installation design
  • 90° elbow structure for space-saving layout
  • Male thread connection (tube to thread)
  • Leak-proof sealing with internal O-ring
  • Durable nickel-plated brass and engineering plastic construction

Applications

  • Pneumatic automation systems
  • Industrial machinery
  • Air compressor systems
  • Robotics and assembly lines
  • Packaging equipment

Widely used in pneumatic systems requiring directional air routing, compact installation, and reliable tube connections.

Product Structure & Types

  • PL male elbow connector (tube → male thread 90°)
  • Thread standards: BSPT, NPT, metric
  • Tube sizes: 4mm, 6mm, 8mm, 10mm, 12mm, 14mm, 16mm
  • Common models: PL4, PL6, PL8, PL10, PL12, PL14, PL16

These fittings are widely used for flexible pneumatic system layout and efficient tubing direction control.

Why Choose Our Pneumatic Fittings

  • Professional PL pneumatic elbow fitting supplier with full size range
  • OEM / ODM customization for male elbow push to connect fitting projects
  • Reliable pneumatic elbow connector for automation and industrial systems
  • High-quality air fitting factory with strict quality control standards
  • Durable push-in pneumatic fittings for leak-free compressed air applications
  • Fast delivery and global

FAQ

Q1: What is a PL pneumatic fitting?
It is a push-to-connect male elbow fitting used for 90-degree tube-to-thread connections in pneumatic systems.

Q2: What does “male elbow fitting” mean?
It means the fitting has a male threaded end and a 90-degree elbow structure, allowing tubing to connect to a threaded port at an angle.

Q3: What is the advantage of a 90 degree pneumatic elbow fitting?
It helps change the tubing direction and saves installation space in compact pneumatic layouts.

Q4: How does a push-to-connect fitting work?
The tube is inserted into the fitting and locked by internal gripping teeth, while an O-ring provides sealing.

Q5: What is the difference between PC and PL pneumatic fittings?
PC fittings are straight male connectors, while PL fittings are 90-degree male elbow connectors.

Q6: What tube sizes are available for PL fittings?
Common tube sizes include 4mm, 6mm, 8mm, 10mm, 12mm,14mm and 16mm.

Q7: Where are PL pneumatic elbow fittings used?
They are widely used in pneumatic automation systems, air compressors, robotics, packaging equipment, and industrial machinery.

Q8: Can PL pneumatic fittings be customized?
Yes, OEM/ODM customization is available for thread types, tube sizes, materials, colors, and branding.

WhatsAppXFacebookvKontaktePinterestLinkedIn

Free Sample Request Process:

  1. Select Your Sample: Browse through our product range and choose the sample you'd like to receive.

  2. Submit Your Request: Fill out the sample request form with your shipping details.

  3. Shipping Cost: While the sample itself is free, the buyer is responsible for covering the shipping fee. Please negotiate the shipping cost with us.

  4. Processing: Once your payment is confirmed, we will process your sample request and ship it to your address.

  5. Receive Your Sample: Your sample will be delivered to you within the estimated shipping time. Enjoy trying our product!

1. The warranty period of this product is eighteen months (subject to thefuselage bar code information). During the warranty period, if the productfails or is damaged under normal use according to the operating manual, ourcompany will be responsible for free maintenance.

2. During the warranty period, if damage is caused due to the followingreasons,a certain maintenance fee will be charged,

  • Machine damage caused by mistakes in use and unauthorized repairsand modifcations;
  • Machine damage caused by fre, food, abnormal voltage, other naturaldisasters and Level 2 disasters;
  • Hardware damage caused by artifcial fall and transportation afterpurchase;
  • Machine damage caused by failure to operate according to the user manual provided by our company;
  • Failure and damage caused by obstacles other than the machine (such asexternal equipment factors).

3. When the product fails or is damaged, please fll in all the contents in the”Product Warranty Card” correctly and in detail.

4. The charge of maintenance fees shall be based on our company’s latestadiusted “Maintenance Price List”.

5. This warranty card will not be reissued under normal circumstances.Please keep this card and show it to the maintenance personnel during thewarranty.

6. If you have any questions during the service process, please contact ouragent or our company in time.The company is committed to upgrading new products. If there are anychanges, you can download them from the company website.